【E18】上信越自動車道 上下線 松井田妙義IC~佐久IC間夜間通行止めのお知らせ

11月6日(水) ~ 4月13日(月)のうち8日間 夜21 時から翌朝5時まで~落石対策工事及びトンネル内設備点検 を行います~

最新の規制情報は、ドラとらをご覧下さい。

令和2年1月27日
東日本高速道路株式会社
佐久管理事務所

 NEXCO東日本 佐久管理事務所(長野県佐久市)は、E18上信越自動車道(以下「上信越道」)にて、落石対策工事及びトンネル内設備点検を行うため松井田妙義インターチェンジ(以下「IC」)~佐久ICにおいて夜間通行止めを実施します。

 お客さまには大変ご迷惑をおかけしますが、お出かけの際には時間にゆとりを持っていただきますよう、ご理解とご協力をお願いします。

※10月24日(木)に一旦お知らせした内容ですが、台風19号の影響により対面通行(上下各1車線)を行っている碓氷軽井沢IC~佐久IC間でトンネル内設備点検を実施することから、通行止め区間が一部変更となります。

※工事進捗状況に伴い通行止め開始時間も変更となりますので合わせてお知らせします。

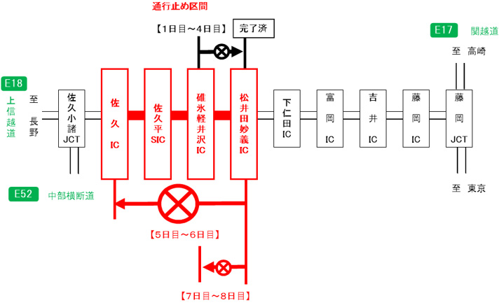
1 通行止め区間及び日時

(1)通行止め区間

【1日目~4日目】上信越道 上り線 碓氷軽井沢IC⇒松井田妙義IC間 完了済

【5日目~6日目】上信越道 下り線 松井田妙義IC⇒佐久IC間

【7日目~8日目】上信越道 下り線 松井田妙義IC⇒碓氷軽井沢IC間

通行止め区間のイメージ画像

  • 各路線に付しているE18等の表示は、高速道路等の路線番号(ナンバリング)を示しています。

(2)日時

【1・2日目】実施日:令和元年11月6日(水)、7日(木) 完了済

【3日目】実施日:令和元年11月26日(火) 完了済

【4日目】実施日:令和元年12月10日(火) 完了済

【5日目】実施日:令和2年2月27日(木) ■予備日:28日(金)、3月2日(月)

【6日目】実施日:令和2年3月11日(水) ■予備日:12日(木)、13日(金)

【7日目】実施日:令和2年3月30日(月) ■予備日:31日(火)、4月1日(水)

【8日目】実施日:令和2年4月13日(月) ■予備日:14日(火)、15日(水)

※夜21時~翌朝5時まで

【上り線 碓氷軽井沢IC⇒松井田妙義IC間】

通行止め区間のイメージ画像

【下り線 松井田妙義IC⇒佐久IC間】

通行止め区間のイメージ画像

【下り線 松井田妙義IC⇒碓氷軽井沢IC間】

通行止め区間のイメージ画像

  • 通行止め区間内にあるサービスエリア(以下「SA」)及びパーキングエリア(以下「PA」)については以下の通り閉鎖します。

【1日目~4日目】上信越道 上り線 横川SA 夜19時~翌朝5時 完了済

【5日目~6日目】上信越道 下り線 横川SA、佐久平PA 夜20時~翌朝5時

【7日目~8日目】上信越道 下り線 横川SA 夜20時~翌朝5時

QRのイメージ画像
  • 荒天の場合、予備日に順延します。
  • 工事実施判断は、当日16時頃にTwitterなどでお知らせします。

2 迂回路

通行止め作業完了済

1)上信越道【上り線】碓氷軽井沢IC⇒松井田妙義IC(長野方面⇒高崎方面)県道92号⇒県道43号⇒国道18号⇒県道51号をご利用ください。

2)上信越道【下り線】松井田妙義IC⇒佐久IC(高崎方面⇒長野方面)県道51号⇒国道18号⇒県道9号をご利用ください。

 上信越道 松井田妙義IC~佐久IC間を迂回した場合、所要時間は約74分(通常30分)かかる見込みです。
迂回により所要時間が長くなりますので、お時間にゆとりをもってお出かけください。

迂回路のイメージ画像1

3)上信越道【下り線】松井田妙義IC⇒碓氷軽井沢IC(高崎方面⇒長野方面)県道51号⇒国道18号⇒県道43号⇒県道92号をご利用ください。

 上信越道 松井田妙義IC~碓氷軽井沢IC間を迂回した場合、所要時間は約58分(通常15分)かかる見込みです。迂回により所要時間が長くなりますので、お時間にゆとりをもってお出かけください。

迂回路のイメージ画像2

3 通行止めに伴う乗継調整について

 通行止めにより高速道路を一旦流出し、通行止め区間を迂回して、再流入して順方向に乗り継がれるお客様には、ご利用区間に応じて通行料金を調整する「乗継調整」を実施します。(【別紙】【PDF:201KB】参照)

○乗継指定IC【1日目~4日目】

通行止め作業完了済
通行止め箇所 流出指定IC 再流入指定IC
【上信越道】(上り線)
碓氷軽井沢IC
⇒松井田妙義IC
【上信越道】
佐久IC
佐久平スマートIC(※)
碓氷軽井沢IC
【上信越道】
松井田妙義IC、下仁田IC
富岡IC

○乗継指定IC【5日目~6日目】

通行止め箇所 流出指定IC 再流入指定IC
【上信越道】(下り線)
松井田妙義IC
⇒佐久IC
【上信越道】
松井田妙義IC、下仁田IC
【上信越道】
佐久IC、小諸IC、東部湯の丸IC
【中部横断道】
佐久北IC、佐久中佐都IC、
佐久南IC

○乗継指定IC【7日目~8日目】

通行止め箇所 流出指定IC 再流入指定IC
【上信越道】(下り線)
松井田妙義IC
⇒碓氷軽井沢IC
【上信越道】
松井田妙義IC、下仁田IC
【上信越道】
碓氷軽井沢IC、佐久平スマートIC(※)
佐久IC、小諸IC
【中部横断道】
佐久北IC、佐久中佐都IC、
佐久南IC
  • 佐久平スマートICは、全車種(12m以下)のETC車限定となります。

◆乗継調整のご利用方法

《ETCのお客さま》

  • ETCをご利用のお客さまは、流出指定ICを無線走行していただき、再流入指定ICも無線走行をお願いします。(ETC車には「乗継証明書」は発行されません)
  • 乗り継ぎされた走行を一つの走行とみなして、ETC時間帯割引を適用します。
    なお、通行料金は請求時の調整となるため、料金所での料金表示器と異なる場合があります。

《現金等のお客さま》

  • 現金等でお支払いのお客さまは、流出指定ICで「乗継証明書」をお受け取りのうえ、再流入指定ICで「通行券」をお取りいただき、最初に料金を支払う料金所で「乗継証明書」と「通行券」をお渡しください。

4 工事概要

 上信越道 上下線 松井田妙義IC~碓氷軽井沢IC間に位置する、北野牧トンネル上の岩塊を除去する工事を進めております。その除去作業時に発生する恐れのある小石が、本線へ落下することを防止するため、ロックシェッド※1上部工の架設工事を行います。また、碓氷軽井沢IC~佐久IC間に位置する、八風山トンネル内走行車線側の壁面に設置されている、トンネル内設備点検を行います。この点検を行う区間の一部は台風19号の影響により対面通行(上下各1車線)を行っており、点検実施にあたって通常の車線規制では点検が出来ないことから、お客さまへ極力ご迷惑をお掛けしないよう、交通量が少ない平日の夜間に通行止めを行い、工事を集中的かつ効率的に実施します。安全・快適に高速道路をご利用いただくために必要な工事ですので、ご理解とご協力をお願いします。

除去対象のイメージ画像
※ロックシェッド上部工 架設のイメージ画像
  • ロックシェッドとは・・・落石等から道路や鉄道を守るために設置する屋根のようなもの

5 交通情報の入手方法について

(1)配布・掲示物によるご案内

  • 予告看板やポスター・リーフレットを、周辺の料金所・休憩施設に掲示します。
  • 横断幕を高速道路上の跨道橋に掲示します。

(2)お出かけ前に入手できる道路交通情報

  • NEXCO東日本お客さまセンター(24時間オペレーターが対応)
    ナビダイヤル:0570-024-024
    またはTEL:03-5338-7524 (令和2年4月よりTEL:03-5308-2424
  • NEXCO東日本 道路交通情報サイト 「ドラとら」
    【PC】
    【携帯】http://m.drivetraffic.jp/
  • NEXCO東日本ホームページ「工事規制情報」
    「高速道路ご利用の方」のタグから「工事規制情報」を選択しご覧ください。
  • 日本道路交通情報センター(JARTIC)道路交通情報
    全国共通ダイヤル 050-3369-6666
    (携帯電話短縮ダイヤル #8011
    ※全国どこからでも最寄りの情報センターに接続します。
    全国・関東甲信越情報 050-3369-6600
    群馬情報 050-3369-6610
    長野情報 050-3369-6620
    【PC】
  • ハイウェイテレホン(5分毎に更新される最新情報を24時間提供)
    前橋局 027-252-1620
    長野局 026-278-1620
    (携帯電話・PHS短縮ダイヤル #8162
(3) 高速道路をご利用中に入手できる道路交通情報
  • 道路情報板
  • ハイウェイラジオ(AM1620kHz)
    ハイウェイラジオを放送している区間は、高速道路上の標識によりご案内しております。
  • ハイウェイ情報ターミナル
    SA・PAに設置しているモニター画面などにより、道路情報を分かりやすくお知らせします。
  • VICS
    VICS対応のカーナビゲーションなどの搭載機で、道路交通情報が入手できます。
※Twitterの公式アカウント「NEXCO東日本(関東)」(@e_nexco_kanto)でも情報を配信しています。
Adobe Acrobat Readerのダウンロードページへの画像リンク(外部リンク)

PDFファイルをご覧いただくには、AdobeSystems社のプラグインソフト「Acrobat Reader(日本語版)」が必要です。お持ちでない方は、こちらからダウンロード(無料)してご利用ください。

関連サイト・コンテンツ

ドライバーズサイト(ドラぷら)

料金・ルート検索、サービスエリア・パーキングエリアの情報をお探しの方はこちら。

ドライブトラフィック(ドラとら)

リアルタイムの渋滞・規制情報をお探しの方はこちら。

NEXCO東日本(道路防災情報)公式Xへ

災害時の通行止めなどの道路情報をお探しの方はこちら。